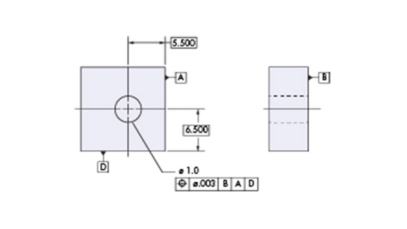
Dimension Drawing Png

Png,Anime,Logo and etc

Dimension Drawing Png.

8 Common Drawing Mistakes To Avoid Machine Design
8 Common Drawing Mistakes To Avoid Machine Design from www.machinedesign.com


close